Pepperl+Fuchs KFU8-DW-1.D | Rotation Speed Monitor 40 kHz
Pepperl+Fuchs KFU8-DW-1.D | Rotation Speed Monitor 40 kHz
Pepperl+Fuchs KFU8-DW-1.D | Rotation Speed Monitor 40 kHz

Pepperl+Fuchs KFU8-DW-1.D | Rotation Speed Monitor 40 kHz (KFU8-DW-1.D)

Fiyat : €699,00(KDV Dahil)
TL Fiyat : ₺36.864,00(KDV Dahil)

Pepperl+Fuchs KFU8-DW-1.D | Rotation Speed Monitor

Speed Monitoring up to 40 kHz Relay Output with LED Indicator 2-,3-,4-Wire & NAMUR Sensors Incremental Encoder Connectable Start-up Delay Menu Driven Operation Period Measurement IP20 Protection

Ürün Açıklaması

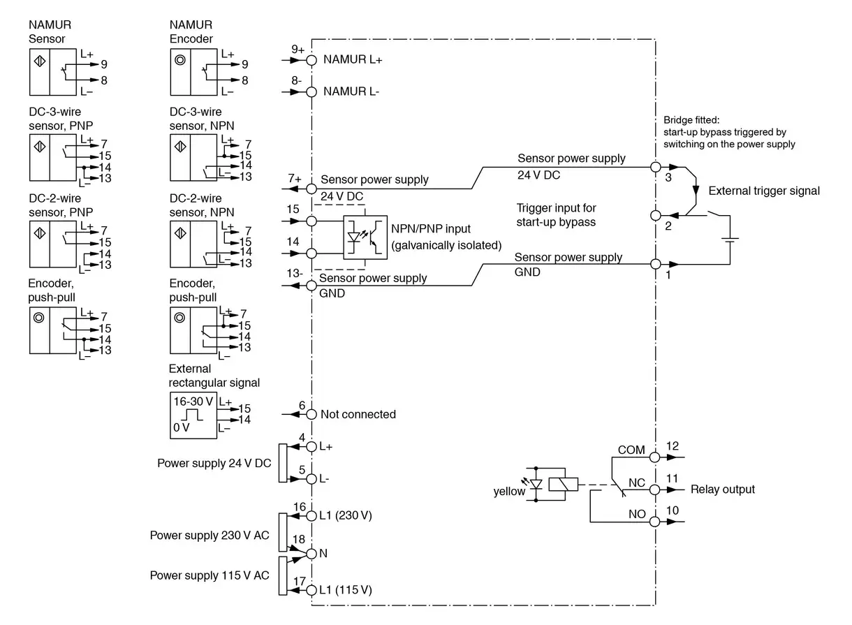
Pepperl+Fuchs KFU8-DW-1.D Rotation Speed Monitor, 40 kHz frekansa kadar hız izleme yapabilen, endüstriyel otomasyon ve proses uygulamaları için tasarlanmış güvenilir bir cihazdır. 2-, 3-, 4-telli sensörler, NAMUR sensörler ve artımlı enkoderlerle uyumludur. Röle çıkışı ve LED göstergesi ile önceden seçilen değerler kontrol edilebilir. Menü kontrollü 4 tuş ile parametreler kolayca ayarlanabilir ve cihaz periyodik ölçüm ile hassas hız izleme sağlar.

Teknik Özellikler

Özellik Değer
Rated Voltage 196–250 V AC, 98–127 V AC, 20–30 V DC
Power Consumption AC: <5 VA, DC: <5 W
Input 1 NAMUR sensor, 0.002–10,000 Hz, pulse ≥20 µs
Input 2 2-,3-,4-wire proximity or incremental encoder, 0.002–40,000 Hz, pulse ≥12 µs
Input 3 24 V DC ±10 %, 30 mA, short-circuit protected
Relay Output Changeover contact NO/NC/COM, 250 V AC/2 A, 40 V DC/2 A, Delay ≤20 ms
Display LED, adjustable 0.1–2.5 s, shows input in Hz or 1/min
Timer Functions ON-delay, OFF-delay, One-shot, Pulse extension, 0–999.9 s
Protection Class IP20
Mounting Snap-on 35 mm DIN rail or screw fixing
Ambient Conditions -25–40 ℃, Storage: -40–85 ℃, Max RH 80 % non-condensing
Mechanical Life ≥20,000,000 switching cycles
Functional Safety MTTFd 100 a

Önemli Bilgiler

  • Period measurement for accurate rotational speed monitoring
  • Output signal can be inverted
  • Start-up delay adjustable
  • Connection terminals coded, max core cross-section 0.34–2.5 mm²
  • Indoor use only, modular terminal housing (Makrolon), System KF

Product Documentation KFU8-DW-1.D

 

Manuals

Language

File Type

File Size

Download

Manual KFU8-DW-1.D

en

PDF

1 MB

System Manual

en

PDF

4 MB

Datasheet

Language

File Type

File Size

Download

Datasheet                    

en

PDF

1 MB

 

cultureSettings.RegionId: 0 cultureSettings.LanguageCode: TR
Çerez Kullanımı

Sizlere en iyi alışveriş deneyimini sunabilmek adına sitemizde çerezler(cookies) kullanmaktayız. Detaylı bilgi için Kvkk sözleşmesini inceleyebilirsiniz.